食品工廠設計設備布置中,應提供必要的設備安裝詳圖(包括支架圖)和設備管口方位圖。
(一)設備安裝詳圖
1.作用與內容
食品工廠設計設備安裝圖是指除由土建專業設計的設備支架、操作臺等以外的需由布置專業(工藝專業)進行設計的些設 備安裝詳圖,用以安裝、固定設備的非定型支架 (包括掛架、吊架、框式塔架)、支座,有時也包括鋼結構操作平臺及其附屬的棧橋、鋼梯、防腐底盤、傳動設備、防護罩等,在食品工廠設計設備布置中需要單獨繪制圖樣以作為制造和安裝的依據。這些圖樣可由工藝人員設計繪制,也可請設備人員協助或獨立承擔繪制工作。

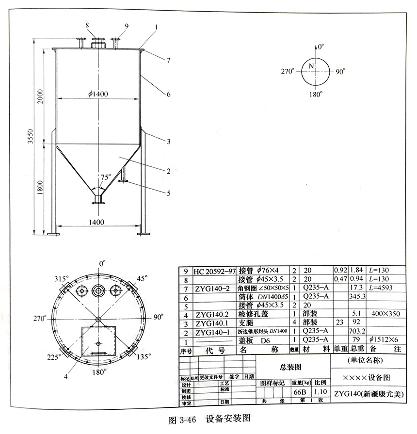
如圖所示為一設備支架圖的圖例。從圖中可看出它與一般機械圖相近,有如下內容:
(1)一組視圖 表示支架各組成部分的結構形狀、裝配關系、支架與設備的連接情況等。
(2)尺寸標注 標出支架各組成部分的定形、定位尺寸和與設備安裝定位有關的尺寸。
(3)零部件編號及明細欄 對各組成部分進行編號及列表注寫有關名稱、 規格、數量等內容。
(4)標題欄標出圖名、圖號、比例等。
2.圖面要求
圖紙幅面一般采用A3或A2,比例一般為1 : 20或1: 10.
標題欄正上方列一個材料表,其格式及內容見圖。
說明或附注應放在材料表的上方,用于編寫技術要求或施工要求以及采用的標準、規范等。
(二)管口方位圖
1. 作用與內容
管口方位圖是食品工廠設計制造設備時確定各管口方位、管口與支座、地腳螺栓等相對位置用的,也是設備安裝時確定安裝方位的依據。內容如下:
(1)視圖 表示設備上各管口的方位情況。
(2)尺寸標注 表示各管口及有關零部件的安裝方位等。
(3)方向標 表示安裝方位基準的圖標。
(4)管口符號及管口表 對應表示各管口的有關情況,如公稱通徑DN、連接面形式、用途等。
(5)標題欄 注寫圖名、圖號等。
2.基本要求
(1)非定型設備應繪制管口方位圖,采用A4圖幅,以簡化的平面圖形繪制。每一位號的設備繪一張圖,結構相同而僅是管口方位不同的設備,可繪在同一張圖紙上。
(2)管口方位圖應表示出設備的管口、罐耳(吊柱)、支腿(或耳座)、接地板、塔裙座底部加強筋及裙座上的人孔等方位、地腳螺栓孔的位置和數量,并標注管口符號(與設備圖上的管口符號致)。臥式設備(包括熱交換器)支座上的地腳螺栓孔,如直徑不同或形狀不同(活動端或固定端),必須注明。
(3)在圖紙右上角應畫一個方向標。方向標的形式是直徑為20mm的一個圓,注明東、西、南、北四個方向的角度數,并注出北向“N”,方向標的北向應與設備布置圖的北向“N”一致。
(4)在標題欄上方列出與設備圖一致的管口表。在管口表右側注出設備裝配圖圖號,如“設備裝配圖圖號XXXXX”。
(5)設備管口方位圖上應加以下兩點說明
①在裙座與器身上用油漆表示0°的位置,以便現場安裝時識別方位。
②表示銘牌的方位及安裝高度。標明保溫層的厚度,使銘牌露在保溫層之外。
以上就是華盛興邦設計老師整理的一些關于食品工廠設計中設備安裝詳圖和管口方位圖的知識,如有不明白或者了解更多食品工廠設計的資訊,可以在線咨詢華盛興邦專業設計老師,隨時為你解答。